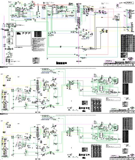
Panasonic TV IC Zig Zag Schematics Explained

P.Serviceform 100 views
Panasonic TV IC Zig Zag Schematics Explained

Panasonic TV IC Zig Zag Schematics Explained

Hey guys, welcome back to the channel! Today, we’re diving deep into something that might sound a bit technical, but trust me, it’s super important if you’re tinkering with Panasonic TVs: the Panasonic TV IC Zig Zag schematics . You know, those intricate diagrams that map out the internal workings of your favorite TV? Well, the ‘IC Zig Zag’ part refers to a specific type of integrated circuit (IC) layout and its associated circuitry that Panasonic used in some of their models. Understanding these schematics is like having a secret map to diagnose and fix issues that pop up with your TV. We’re going to break down what these schematics are, why they’re crucial for repairs, and how you can potentially use them to get your beloved Panasonic TV back in action. So, grab your tools (or at least your curiosity!) and let’s get started on unraveling the mysteries of the Panasonic TV IC Zig Zag.

What Exactly Are Panasonic TV IC Zig Zag Schematics?

Alright, so let’s get down to brass tacks. What exactly are Panasonic TV IC Zig Zag schematics? Think of them as the blueprints for your Panasonic TV’s electronic brain. When we talk about schematics in general, we’re referring to a graphical representation of an electronic circuit. It uses standardized symbols to depict the various electronic components like resistors, capacitors, transistors, and, of course, integrated circuits (ICs). The lines connecting these symbols show the electrical connections between them. Now, the ‘IC Zig Zag’ part is where it gets a bit specific. While not an official, universal technical term, in the context of TV repair forums and discussions, ‘Zig Zag’ often refers to a particular way an IC might be physically laid out on a circuit board, or perhaps a pattern of signal flow within that IC or its surrounding components that looks somewhat like a zig-zag. It could also be a nickname for a specific IC or a section of the schematic that is notoriously tricky to understand or trace. These schematics are invaluable for technicians because they provide a clear, albeit sometimes complex, roadmap of how the TV is supposed to function. Without them, trying to figure out why a TV isn’t turning on, why the picture is distorted, or why the sound is acting up would be like trying to navigate a maze blindfolded. They show the power supply paths, signal routes, control signals, and how all these elements interact. For DIY enthusiasts, having access to these schematics can empower you to tackle repairs that might otherwise seem daunting. You can trace faulty components, identify short circuits, and understand the logic behind the TV’s operation. It’s all about understanding the flow of electricity and data within the device. The complexity can vary greatly depending on the TV model and its features. Newer, smarter TVs have far more intricate schematics due to the advanced processing and connectivity they offer. So, when you hear ‘Panasonic TV IC Zig Zag schematics,’ just remember it’s a term likely referring to the detailed circuit diagrams for specific Panasonic TV models, possibly highlighting a particular IC or a characteristic layout that aids in troubleshooting.

Why Are These Schematics So Crucial for TV Repair?

Now, you might be thinking, “Why should I even care about these fancy diagrams?” Well, guys, these schematics are so crucial for TV repair because they are your ultimate diagnostic tool. Imagine trying to fix a car engine without a repair manual – it’d be a nightmare, right? The same applies to modern electronics like your Panasonic TV. When a TV goes kaput, it’s usually due to a component failure or a connection issue. These schematics pinpoint exactly where each component is located on the circuit board and how it’s supposed to be connected. This drastically speeds up the troubleshooting process. Instead of randomly probing around with a multimeter and hoping for the best, a technician (or a skilled DIYer) can use the schematic to follow the intended signal path. If a signal is supposed to arrive at a certain point but doesn’t, the schematic tells you what components are upstream that might be causing the problem. It helps identify common failure points too. For example, the power supply board is often a culprit in TV failures, and the schematic will clearly show its components and their interconnections. Likewise, if you’re dealing with a picture issue, the schematic will guide you through the video processing section, showing you the ICs and pathways responsible for generating the image. Without this roadmap, you’d be completely lost. Furthermore, these schematics are essential for sourcing the correct replacement parts. Each component has specific values (like resistance or capacitance) and part numbers, all detailed in the schematic. Using the wrong part can lead to further damage or the repair simply not working. The ‘Zig Zag’ aspect, if it refers to a specific layout or signal path, might be particularly important for certain ICs that are prone to overheating or signal interference. Understanding that specific configuration helps in diagnosing subtle issues that wouldn’t be apparent otherwise. It’s not just about fixing what’s broken; it’s about understanding how the whole system is designed to work, which allows for more precise and effective repairs. Ultimately, for anyone serious about repairing TVs, especially vintage or specific models like some Panasonics, having access to reliable schematics is non-negotiable. They save time, reduce frustration, and significantly increase the chances of a successful repair.

Decoding the Symbols: What You’ll Find in the Diagrams

Okay, so you’ve got your hands on a Panasonic TV IC Zig Zag schematic, and it looks like a bunch of squiggly lines and weird symbols. Don’t panic, guys! Decoding the symbols is your first step to understanding what you’re looking at. These diagrams use a universal language of electronic symbols. While there are many, let’s cover some common ones you’ll encounter. First off, you’ll see symbols for basic components. A resistor, which restricts current flow, often looks like a zigzag line (ironically, maybe this is where the ‘zig-zag’ nickname comes from sometimes!). A capacitor, which stores electrical energy, typically appears as two parallel lines, one of which might be curved or filled in to indicate polarity. Transistors, the workhorses of modern electronics, have various symbols depending on their type (BJT or FET), often showing a base, emitter, and collector, or a gate, source, and drain. Diodes, which allow current to flow in one direction, are usually represented by a triangle pointing towards a line. Then you have the integrated circuits, or ICs. These are often depicted as simple rectangles, sometimes with many pins extending from them. The schematic will usually label the IC with its part number (e.g., an IC-STRxxxx for a power supply controller, or an IC-TBxxxx for a jungle chip that handles video processing). The pins of the IC are numbered, and the schematic shows what signals or power voltages are supposed to connect to each pin. Lines represent the wires or traces on the circuit board connecting these components. Thicker lines might indicate power or ground connections, while thinner lines usually carry signals. You’ll also find important annotations like voltage readings at certain points, signal names (e.g., ‘V_SYNC’, ‘AUDIO_OUT’), and test points marked with circles or dots. Sometimes, you’ll see different types of lines – solid, dashed, or dotted – which can indicate different types of connections or signals. For ICs, especially in the ‘Zig Zag’ context, you might see complex internal block diagrams within the IC symbol itself, showing how different functional blocks inside the chip are interconnected. Don’t get overwhelmed by the sheer number of symbols. Most schematics come with a legend or key that explains what each symbol represents. Your best bet is to identify the section you’re interested in (e.g., the power supply, the video output stage) and focus on the symbols within that area. Learning these symbols is like learning a new language – once you get the hang of it, the entire diagram starts to make sense, revealing the intricate dance of electronics within your TV.

Common Problems Addressed by IC Zig Zag Schematics

So, what kind of gremlins can these Panasonic TV IC Zig Zag schematics help you banish? Common problems addressed by IC Zig Zag schematics range from the simple to the complex, and understanding the schematic is key to diagnosing them efficiently. One of the most frequent issues is a no power situation. The schematic allows you to trace the power supply path from the AC input all the way through the various voltage regulation stages. You can check if the initial AC is being converted to DC, if the standby voltage is present, and if the main power rails are being activated. Faulty components in the power supply section, like capacitors that have bulged or dried out, or a failed switching transistor, will be clearly indicated on the schematic, making them easier to locate and test. Another common problem is no picture, but sound is present. This often points to an issue in the video processing or display driving circuitry. The schematic will show you the path of the video signal from the tuner or input ports, through the video processing IC (often called the ‘jungle chip’), and to the components that drive the screen. You can check if the video signal is getting to the right IC and if the output signals from that IC are reaching the display driver transistors or ICs. Similarly, no sound, but picture is fine indicates a problem in the audio processing or amplification stages. The schematic will outline the audio signal path, from the audio decoder IC to the audio amplifier IC and then to the speaker connections. You can check for expected voltages at the audio IC and trace the signal to see if it’s being amplified correctly. Some TVs exhibit intermittent problems , like the picture flickering or cutting out randomly. These can be the trickiest to diagnose, but schematics help. They might reveal areas prone to overheating, like components near the ‘Zig Zag’ IC if that’s a heat-generating one, or show common points where solder joints can crack due to thermal expansion and contraction. Color issues or picture distortion (like lines or incorrect aspect ratios) can also be troubleshot using the schematic. These problems often lie within the video decoder or the timing generator ICs, and the schematic guides you through verifying the input signals and output signals of these critical components. Even remote control or button malfunctions can sometimes be traced back to the control section, often involving a microcontroller IC. The schematic can show how the control signals from the buttons or IR receiver are processed and how they communicate with the main processor. In essence, any issue that prevents the TV from functioning as intended can, with the help of a schematic, be systematically investigated by checking the integrity of components and signals along the relevant circuit path.

Where to Find Panasonic TV IC Zig Zag Schematics

Alright, the million-dollar question: where to find Panasonic TV IC Zig Zag schematics? This is often the biggest hurdle for DIY repair folks, and it can be a bit of a treasure hunt, guys. Unlike brand-new cars where manuals are readily available, schematics for older or even moderately recent electronics can be harder to come by, especially official ones. However, there are several avenues you can explore. 1. Online Repair Forums and Communities: This is probably your best bet. Websites dedicated to electronics repair often have vast archives of user-uploaded schematics. Search for your specific Panasonic TV model number along with terms like ‘schematic,’ ‘service manual,’ or ‘circuit diagram.’ Sometimes, a user might have already asked for the same ‘IC Zig Zag’ schematic you need. 2. Specialized Electronics Repair Websites: There are websites that aggregate service manuals and schematics for a fee or sometimes offer free downloads. Sites like s-manuals.com , elektrotanya.com , or similar platforms are good places to start. Be sure to check the terms of use and any subscription requirements. 3. Manufacturer’s Official Support (Rarely): While manufacturers like Panasonic are typically reluctant to release service manuals to the general public (they’re intended for authorized service centers), it’s not entirely impossible. You might try contacting their technical support, but don’t get your hopes up too high. They usually only provide them to certified technicians. 4. eBay and Other Auction Sites: Believe it or not, you can sometimes find physical copies or digital downloads of service manuals and schematics being sold on platforms like eBay. Sellers often obtain these from decommissioned service centers or through other channels. 5. Reverse Engineering (Advanced): If all else fails, and you’re feeling particularly ambitious (and have the skills), you could attempt reverse engineering. This involves carefully tracing the circuit board connections yourself and drawing out the schematic. This is extremely time-consuming and requires a deep understanding of electronics, so it’s usually a last resort. Important Note on ‘IC Zig Zag’: When searching, remember that ‘IC Zig Zag’ might not be the official name. It could be a nickname. So, try searching for your TV model’s service manual or schematic first, and then look for sections related to the suspected faulty IC. You might find references or diagrams within the broader service manual that clarify the ‘Zig Zag’ aspect. Always ensure you’re downloading from reputable sources to avoid malware. And remember, working with TV internals involves high voltages, so safety first!

Tips for Using Schematics Effectively

Okay, you’ve found the schematic – awesome! But just having it isn’t enough, guys. You need to know how to use it effectively to actually fix your TV. Here are some tips for using schematics effectively to make your repair journey smoother. 1. Identify Your TV Model: This sounds obvious, but make absolutely sure the schematic matches your exact Panasonic TV model number. Even slight variations can mean significant differences in the circuitry. Check the label on the back of your TV for the precise model. 2. Get Familiar with the Layout: Before diving into troubleshooting, take some time to understand the overall layout of the schematic. Look for the different sections: power supply, main board, T-con board (for LCD/LED TVs), audio section, etc. See how they are interconnected. 3. Locate the Faulty Area: If you have a specific symptom (e.g., no picture), try to identify which section of the schematic is responsible for that function. Use the component labels and signal names to navigate. 4. Use a Multimeter with the Schematic: This is where the magic happens. Use your multimeter to measure voltages and check for continuity at key points indicated on the schematic. Compare your readings to the expected values shown on the diagram. If a voltage is missing or incorrect, the schematic tells you where to look next (e.g., the component feeding that point). 5. Trace Signal Paths: Follow the flow of signals related to the fault. If you suspect a problem with the video signal, trace it from the input all the way to the screen. Where does it drop out? What components are in between? 6. Understand Component Designations: Schematics use letter prefixes for components (e.g., R for resistors, C for capacitors, Q for transistors, U or IC for integrated circuits). These designations usually correspond to labels on the actual circuit board, making it easier to find the physical component. 7. Check Power and Ground Connections: Many problems stem from bad power or ground connections. Use the schematic to verify that all necessary power rails are present at the ICs and that ground connections are solid. 8. Don’t Ignore the Legend/Key: If symbols look confusing, always refer to the schematic’s legend or key. It’s your decoder ring! 9. Safety First: Always unplug the TV and allow time for capacitors to discharge before touching any components. High voltages can still be present even when the TV is off. 10. Document Your Findings: As you test components and take measurements, jot down your results. This helps keep track of what you’ve checked and can be useful if you need to ask for help on a forum. Using schematics effectively takes practice, but it transforms TV repair from guesswork into a methodical process. It’s about systematically checking components against the expected design, and the schematic is your indispensable guide.

Conclusion: Empowering Your Repairs with Knowledge

So there you have it, folks! We’ve journeyed through the world of Panasonic TV IC Zig Zag schematics, demystifying what they are, why they’re incredibly important for anyone looking to repair a TV, and how to start making sense of those intricate diagrams. Remember, these schematics are not just random lines and symbols; they are the detailed architectural plans of your television. Empowering your repairs with knowledge derived from these schematics is the most effective way to tackle issues, from simple power problems to complex picture or sound malfunctions. Whether you’re a seasoned technician or a curious DIYer, having access to and understanding these diagrams can save you time, money, and a whole lot of frustration. It allows you to move beyond guesswork and adopt a systematic, logical approach to troubleshooting. By learning to decode the symbols, identify key components, and trace signal paths, you gain the confidence to diagnose faults accurately and implement the correct repairs. The ‘IC Zig Zag’ element, while possibly a specific naming convention or layout, highlights the need to pay attention to the details within the schematic that might be unique to certain components or circuit designs. Never underestimate the power of having the right information. While finding schematics can sometimes be challenging, the effort is almost always worth it. Utilize online forums, repair sites, and even secondary marketplaces to track them down. And always, always prioritize safety when working inside electronics – unplug the unit and be mindful of residual charges. Ultimately, the goal is to equip yourself with the knowledge to bring your beloved Panasonic TV back to life. So, the next time your TV acts up, don’t despair. Grab your schematic, your tools, and that can-do attitude. Happy repairing, guys!